Промышленные приборы учёта тепловой энергии, жидкостей
Промышленные приборы учёта тепловой энергии, жидкостей
111396 г. Москва
ул. Фрязевская д. 10
г. Москва ул. Фрязевская д. 10
+7 (495) 303-39-37
Главная
Продукция
Счётчики жидкости
Каталог счётчиков жидкости
Серия VA-2301
Серия VA-2302
Теплосчётчики
Каталог теплосчётчиков
Серия SA-94/1
Серия SA-94/2
Серия SA-94/2М
Серия SA-94/3
Серия SA-94/3А
Техническая документация
Программное обеспечение
Сервис
Сервисное обслуживание
Информация
Контакты
Политика обработки персональных данных
Согласие на обработку персональных данных
Обратный звонок
Продукция
Счётчики жидкости
Каталог счётчиков жидкости
Серия VA-2301
Серия VA-2302
Теплосчётчики
Каталог теплосчётчиков
Серия SA-94/1
Серия SA-94/2
Серия SA-94/2М
Серия SA-94/3
Серия SA-94/3А
Техническая документация
Программное обеспечение
Сервис
Сервисное обслуживание
Информация
Контакты
Политика обработки персональных данных
Согласие на обработку персональных данных
Обратный звонок
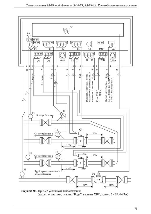
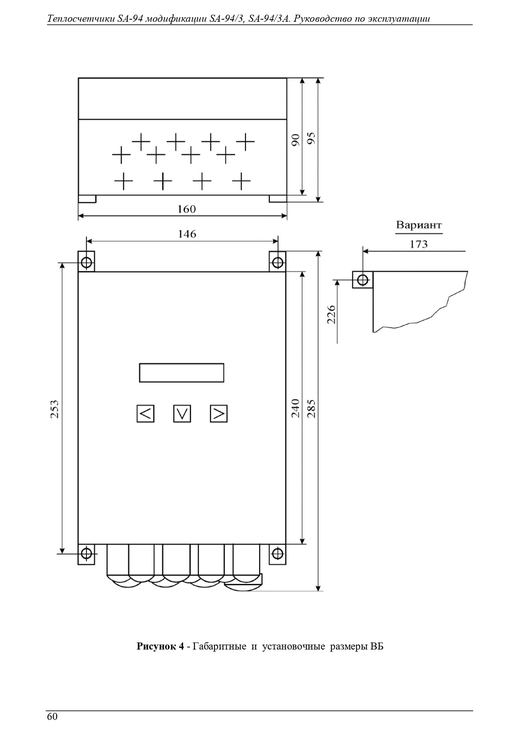
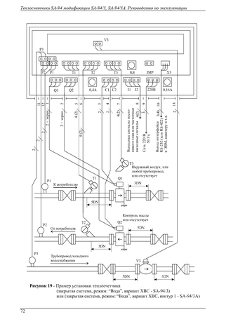
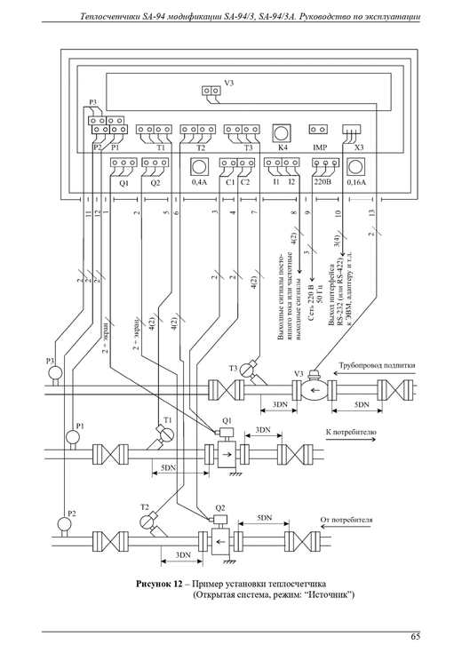
Руководство по эксплуатации
Теплосчётчики SA-94/3 и SA-94/3А
Скачать PDF
Скачать PDF
Часы работы:
Пн-Чт: 09:00 - 17:00
Пт: 09:00-16:00
Телефон:
+7 (495) 303-39-37
Электронная почта:
aswega-m@mail.ru
Остались вопросы?
Мы перезвоним!
Заказать звонок
КОНТАКТЫ
ООО «АСВЕГА-М»
ИНН 7720399303
г. Москва, ул. Фрязевская, 10
Заказать сайт под ключ
WhatsApp
Email
Позвонить
Telegram
ЗАКАЗ ОБРАТНОГО ЗВОНКА
Имя
*
Телефон
*
должен начинаться на +7
Отправить
Нажимая на кнопку, вы принимаете
Положение
и даете
Согласие
на обработку персональных данных.
ЗАКАЗ ОБРАТНОГО ЗВОНКА
Имя
*
Телефон
*
должен начинаться на +7
Отправить
Нажимая на кнопку, вы принимаете
Положение
и даете
Согласие
на обработку персональных данных.